نحوه سیم کشی تابلو برق سه فاز [نقشه تابلو برق سه فاز ساده + نکات مهم]
| مراحل سیمکشی | توضیحات |
|---|---|
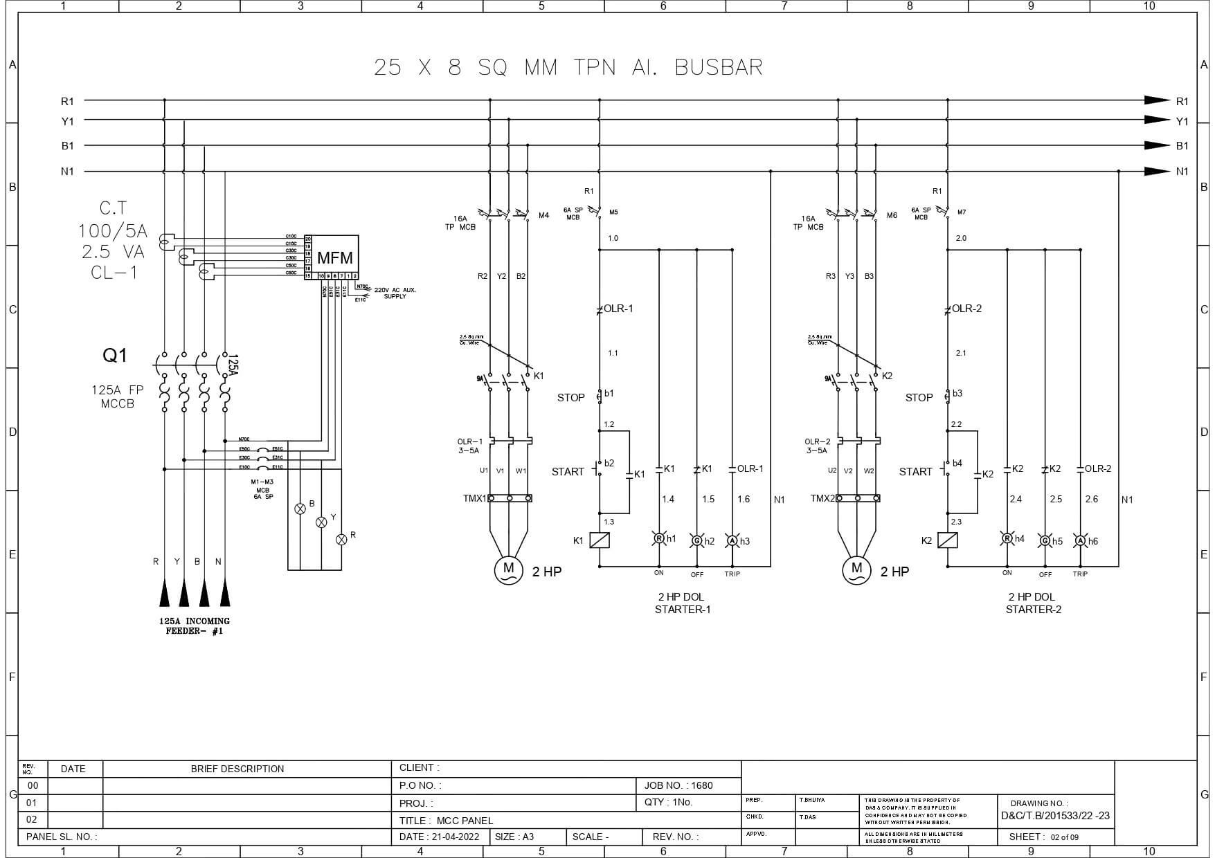
| آشنایی با اجزای تابلو برق سه فاز | شناسایی اجزا مانند کلید MCCB، فیوز، شینههای فاز، نول و ارت پیش از شروع سیمکشی؛ استفاده از رنگبندی استاندارد IEC. |
| بررسی نقشه و انتخاب مسیر سیمها | مطالعه نقشه فنی و وایرینگ دیاگرام برای تعیین مسیر فازها و اتصالات؛ اجرای دقیق مسیرها طبق نقشه جهت جلوگیری از خطا. |
| شروع سیمکشی قدرت (Power Wiring) | اتصال ورودی برق سه فاز به شینهها و کلیدها؛ جداسازی نول و ارت؛ برچسبگذاری (Labeling) سیمها و عبور آنها از داکتهای ایمن. |
| سیمکشی فرمان (Control Wiring) | اتصال مدار فرمان شامل شستیها، تایمر و رلهها؛ استفاده از ولتاژ ۲۴ یا ۴۸ ولت DC برای ایمنی؛ دستهبندی و شمارهگذاری سیمها. |
| آزمون نهایی و بررسی ایمنی | تست اتصالات با مولتیمتر، کنترل توالی فازها و عملکرد کلیدها و رلهها؛ رفع نقصهای احتمالی و تأیید عملکرد نهایی تابلو. |
در هر پروژه صنعتی یا ساختمانی، تابلو برق سه فاز به عنوان مرکز فرمان و توزیع انرژی الکتریکی نقشی حیاتی دارد. سیمکشی صحیح این تابلوها نه تنها عملکرد ایمن تجهیزات را تضمین میکند،
بلکه از خطرات احتمالی نظیر اتصال کوتاه یا افزایش حرارت جلوگیری میکند. آشنایی با نحوه سیم کشی تابلو برق سه فاز، گامی اساسی برای هر تکنسین برق یا مونتاژکار تابلو است.
در ادامه که بر اساس استانداردهای روز و تجربه چند دههای شرکت ساتل تابلو آسیا تنظیم شده به بررسی مراحل اصلی سیمکشی، نکات ایمنی و ارائه نقشه تابلو برق سه فاز ساده پرداختهایم تا تصویری شفاف از فرآیند نصب و اجرای صحیح تابلو ارائه شود.
مراحل اصلی سیمکشی تابلو برق سه فاز
1. آشنایی با اجزای تابلو برق سه فاز
پیش از انجام سیمکشی، باید اجزای اصلی تابلو را شناخت تا مسیر سیمها و ترتیب اتصالات بهدرستی مشخص گردد. تابلو برق سه فاز معمولاً شامل اجزای زیر است: کلید اصلی (MCCB)، فیوزها، شینه فازها (L1, L2, L3)، نول (N)، ارت (PE)، کنتاکتورها، بیمتالها، ترمینالها و سیمهای ارت.
در طراحی حرفهای از کابلهای رنگبندیشده (قرمز برای فاز اول، زرد برای فاز دوم، آبی برای فاز سوم، سیاه برای نول و سبز زرد برای ارت) طبق استاندارد IEC استفاده میشود. شناخت هر یک از این اجزا نخستین گام برای درک اصولی نحوه سیم کشی تابلو برق سه فاز است.
2.بررسی نقشه و انتخاب مسیر سیمها
هر تابلو برق پیش از ساخت باید دارای نقشه فنی باشد. نقشه تابلو برق سه فاز ساده شامل نمایش مسیر فازها از ورودی تا مصرفکنندهها، محل قرارگیری تجهیزات حفاظتی، رلهها، فیوزها و در نهایت شینه خروجی است. این نقشه به سیمکش اجازه میدهد مسیرها را دقیق و منظم اجرا کند.
در پروژههای صنعتی بزرگتر، علاوه بر نقشه فنی از دیاگرام وایرینگ (Wiring Diagram) نیز استفاده میشود تا شمارهگذاری سیمها و کد رنگی هر مسیر مشخص باشد. این مرحله از مهمترین بخشهای نحوه سیم کشی تابلو برق سه فاز محسوب میشود زیرا صحت عملکرد کل تابلو به صحت اجرای همین نقشه بستگی دارد.

3.شروع سیمکشی قدرت (Power Wiring)
در این مرحله سیمهایی که جریان اصلی برق سه فاز را انتقال میدهند به شینهها و کلیدها متصل میشوند. مراحل اجرای سیمکشی قدرت عبارتند از:
- اتصال ورودی برق سه فاز از کلید MCCB به شینههای فاز.
- هدایت خروجی هر فاز از روی کلیدها به سمت کنتاکتورها یا مدارهای قدرت.
- اتصال نول و ارت به شینههای مجزا با پیچ و واشر ضدلرزش.
برای جلوگیری از خطای فاز، باید برچسبگذاری (Labeling) روی هر سیم صورت گیرد. همچنین مسیرها درون داکتهای پلاستیکی مخصوص عبور داده شده و از زاویههای تند پرهیز شود. اجرای اصولی این مرحله، قلب واقعی نحوه سیم کشی تابلو برق سه فاز است.
4. سیمکشی فرمان (Control Wiring)
پس از اجرای مدار قدرت، نوبت به بخش فرمان میرسد که وظیفه کنترل عمل قطع و وصل یا اتوماسیون تجهیزات را دارد. در مدار فرمان معمولاً از ولتاژ ۲۴ یا ۴۸ ولت DC استفاده میشود تا ایمنی اپراتور تأمین شود.
سیمهایی که از شستیهای استارت و استاپ، تایمرها، رلهها و بیمتالها عبور میکنند باید بهصورت منظم دستهبندی و شمارهگذاری شوند. هنگام سیمکشی فرمان، سیم نول فرمان معمولاً آبی روشن و سیم فاز قرمز یا قهوهای انتخاب میشود.
نظم در اجرای مدار فرمان علاوه بر زیبایی مونتاژ تابلو، باعث سهولت عیبیابی در آینده خواهد شد. در تمام مراحل باید نقشه بروز نقشه تابلو برق سه فاز ساده در اختیار تکنسین باشد تا اتصالات فرمان بهدرستی انجام شود.
5. آزمون نهایی و بررسی ایمنی
پس از پایان سیمکشی قدرت و فرمان، نوبت به تست نهایی میرسد. در تست اولیه، صحت اتصالات با مولتیمتر بررسی میشود تا هیچ سیم اشتباهی وصل نشده باشد. سپس با اعمال ولتاژ سه فاز، توالی فازها (Phase Sequence) کنترل میگردد تا موتورهای متصل در جهت صحیح بچرخند.
در نهایت با راهاندازی تابلو، عملکرد کلیدها، فیوزها و رلهها آزموده میشود. هرگونه داغ شدن غیرعادی سیم، صدا یا لرزش نشاندهنده نقص در اتصالات است.
اجرای دقیق تست ایمنی، آخرین و حیاتیترین گام در نحوه سیم کشی تابلو برق سه فاز است و تضمینکننده پایداری مدار در استفاده بلندمدت است.

نکات مهم و حرفهای در سیمکشی تابلو
- همیشه ابتدا نقشه فنی را بهروزرسانی و بازخوانی کنید.
- مسیر جریان نول و ارت را کاملاً جدا در نظر بگیرید.
- از شمارهسیم، لیبل و بستهای استاندارد جهت نظم کاری استفاده شود.
- در محیطهای صنعتی گرم و مرطوب از کابل با روکش ضدحرارت و مقاوم در برابر UV استفاده کنید.
- برای تابلوهای با توان بالا از سیستم تهویه و فن خنککننده بهره گیرید.
این موارد بخشی از اصول مهندسی در پروژههای شرکت ساتل تابلو است که همواره در طراحی تابلوهای فشار ضعیف و متوسط رعایت میشود.
نتیجهگیری
همانگونه که مشاهده شد، نحوه سیم کشی تابلو برق سه فاز شامل مراحلی دقیق از طراحی نقشه تا تست نهایی است. اجرای اصولی این مراحل نه تنها موجب افزایش طول عمر تابلو میشود بلکه کارایی انرژی و ایمنی تجهیزات را تضمین میکند. نقشه تابلو برق سه فاز ساده، پایه و راهنمای اصلی در فرآیند سیمکشی است و هرگونه تغییر بدون بررسی فنی میتواند به خطاهای جدی منجر شود.
شرکت ساتل تابلو آسیا با بیش از سه دهه تجربه در طراحی، مونتاژ و اجرای تابلوهای برق مطابق استاندارد IEC 61439، آماده ارائه مشاوره و ساخت تابلوهای دقیق، ایمن و مدرن است که پاسخگوی نیازهای صنایع پیشرو کشور باشد.
مطالب مرتبط:
- قیمت تابلو برق صنعتی
- قیمت تابلو برق خانگی
- تابلو برق فلزی توکار
- تابلو برق صنعتی کوچک
- تابلو برق بارانی کوچک
- چنج اور ژنراتور



